Все, что нужно знать о Пегасах для беспенного розлива пива
Для чего нужен Пегас
Читайте также о новом устройстве для беспенного розлива пива "Циклон"
Купить устройства для беспенного розлива пива: краны-пегасы, boel itap, другие вы можете в нашем магазине пивного оборудования https://magnum-beer.com.ua/g20140023-pivnye-krany-penogasiteli
Устройство «Пегас» используется для ускоренного беспенного разлива любых пенящихся напитков (а не только пива) из сосудов под давлением в пластиковые бутылки ПЭТ с горлышком стандарта РСО или BPF.
Розлив осуществляется методом противодавления, то есть пустая бутылка заполняется газом под давлением, которое равно давлению в сосуде с напитком.
В этом случае пена не образуется, так как для того, чтобы она образовалась, пузырьки газа должны выйти на поверхность, а в данном случае они не могут выйти – давление им не позволяет.
Данный способ обеспечивает розлив без образования пены с сохранением качества напитка при долгом хранении в герметично закупоренных бутылках. При розливе рекомендуется использовать чистые бутылки.
Но скорость разлива – это не единственное преимущество ПЕноГАСителей. Второе немаловажное преимущество состоит в том, что вы можете значительно сэкономить на потерях живого пива благодаря тому, что не происходит утечка пены.
На следующем видео можно посмотреть, как происходит розлив пива благодаря Пегасам.
Эта статья посвящена стандартной модели Пегас. О других моделях, а именно: Пегас Новотап (Pegas Novotap) и Пегас Новотап+ (Pegas Novotap+) написано в других статьях. Различие во внешнем виде всех 3-х моделей можно посмотреть здесь.
Технические характеристики
Производительность – 45-120 литров в час.
Давление С02, подводимого к кеге – 0,15-0,25 МПа
Расход С02 (для создания противодавления) – 0,2-0,8 Кг/час
Масса устройства – 1,2 кг нетто/1,3 кг брутто
Давление С02, подводимого к кеге – 0,15-0,25 МПа
Расход С02 (для создания противодавления) – 0,2-0,8 Кг/час
Масса устройства – 1,2 кг нетто/1,3 кг брутто
Комплектация (что входит в комплект поставки устройства Пегас стандартный)
Устройство Пегас – 1 шт.
Ниппель дренажа – 1 шт.
Штуцер подвода пива – 1 шт.
Заглушка – 1 шт.
Гайка 5/8" – 1шт.
Тройник – 1 шт.
Шайба плоская – 1шт.
Ниппель подвода пива – 1 шт.
Гайка накидная 5/8" – 1 шт.
Прокладка ниппеля подвода пива – 1шт.
Руководство по эксплуатации – 1 шт.
Ниппель дренажа – 1 шт.
Штуцер подвода пива – 1 шт.
Заглушка – 1 шт.
Гайка 5/8" – 1шт.
Тройник – 1 шт.
Шайба плоская – 1шт.
Ниппель подвода пива – 1 шт.
Гайка накидная 5/8" – 1 шт.
Прокладка ниппеля подвода пива – 1шт.
Руководство по эксплуатации – 1 шт.
Запасные части:
Прокладка уплотнения бутылки – 1 шт.
Кольцо иглы дросселя 004-007-1,9 (диаметр 7 мм) – 1шт.
Кольцо дросселя 008-011-1,9 (диаметр 11 мм) – 1 шт.
Ролик – 2шт.
Кольцо иглы дросселя 004-007-1,9 (диаметр 7 мм) – 1шт.
Кольцо дросселя 008-011-1,9 (диаметр 11 мм) – 1 шт.
Ролик – 2шт.
Из чего состоит устройство Пегас:
Корпус (1)
Переключатель потоков с рукояткой (2)
Зажим бутылки с рукояткой (3)
Штуцер подвода пива (4)
Ниппель подвода газа (5)
Кран сброса давления (6)
Ниппель дренажа (7)
Заглушка (8)
Как собрать устройство Пегас (инструкция по сборке)
Для этого совершите следующие действия:
1) Вверните штуцер подвода пива (4) стороной с короткой резьбой в резьбовое отверстие корпуса G 5/8". Используйте для этого гаечный ключ размером 19 мм.
1) Вверните штуцер подвода пива (4) стороной с короткой резьбой в резьбовое отверстие корпуса G 5/8". Используйте для этого гаечный ключ размером 19 мм.
2) Если розлив пива производится в ПЭТ бутылки, вверните заглушку (8) в резьбовое отверстие корпуса G 5/8", которое расположено напротив отверстия с вкрученным штуцером подвода пива. Используйте для этого шестигранный ключ диаметром 10 мм.
3) Если розлив пива производится в бокалы или кружки, то заглушку (8) необходимо ввернуть в пивной кран, который не входит в комплект поставки.
4) Далее следует ввернуть нипель дренажа (7) в резьбовое отверстие корпуса 1/4" при помощи гаечного ключа размером 12 мм.
Устройство готово к установке
Устройство готово к установке
Как установить Пегас (установка устройства)
Устройство может устанавливаться над столом на колонну либо барную стойку в вертикальном положении (зажим бутылки происходит внизу). Ось штуцера подвода пива должна находиться на высоте 450 мм от поверхности стола. Рекомендуемое расстояние между осями отверстий при установке двух устройств Пегас - 150 мм. Предусмотрите каплесборник на столе для сбора капель.
Установка устройства в сквозное отверстие диаметром 23 мм
(1-й вариант)
Шайба плоская (9)
Гайка G 5/8 " (10)
Прокладка (11)
Ниппель подвода пива (12)
Гайка накидная G 5/8" (13)
Шланг подвода пива диаметром 9 мм (14)
Шланг подвода газа диаметром 7 мм (15)
Шланг дренажа диаметром 7 мм (16)
Установка:
Вставьте штуцер (4) в посадочное отверстие колонны или стены (если установка производится в стену) фото 04
Наденьте плоскую шайбу (9) с внутренней стороны колонны или стены на штуцер (4)
Наденьте плоскую шайбу (9) с внутренней стороны колонны или стены на штуцер (4)
Зафиксируйте изделие гаечным ключом размером 27 мм при помощи гайки (10). В результате устройство должно быть расположено вертикально
Наденьте прокладку (11) на присоединительный конец нипеля (12)
Наденьте накидную гайку (13) на нипель (12) и, присоединив его к штуцеру (4), закрутите накидную гайку, используя гаечный ключ на 24 мм
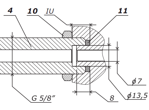
Установка устройства в глухое отверстие G 5/8"
2-й вариант
Штуцер подвода пива (4)
Гайка G 5/8" (10)
Прокладка (11)
Установка:
В этом случае конфигурация и размеры отверстия показаны на рисунке слева, установка производится таким образом:
Наверните гайку (10) на штуцер (4);
Наверните гайку (10) на штуцер (4);
Установите прокладку (11) в отверстие указанной конфигурации;
Вверните штуцер (4) в отверстие таким образом, чтобы устройство было расположено вертикально, а прокладка (11) была поджата и обеспечивала герметичность соединения;
Гаечным ключом размером 27 мм, затяните гайку (10), предотвратив самоотвинчивание.
Подключение устройства Пегас
Для подключения устройства необходимы:
Сосуд с пивом (см. кеги), оснащенный заборной головкой (см. статью о заборных головках)
Баллон с газом, оснащенный регулятором давления (0,15 - 0,25 МПа)
Охладитель пива (см. статьи о пивных охладителях).
см. также схему подключения пивного охладителя
Подвод пива и углекислого газа осуществляется при помощи шланга ПВХ с внутренним диаметром 7-9 мм, шланги закрепить на ниппелях и тройнике при помощи хомутов или соединителями John Guest (DM Fit). Смотрите статью о соединителях.
Убедитесь, что устройство собрано и установлено.
Сосуд с пивом (17)
Сосуд с пивом (см. кеги), оснащенный заборной головкой (см. статью о заборных головках)
Баллон с газом, оснащенный регулятором давления (0,15 - 0,25 МПа)
Охладитель пива (см. статьи о пивных охладителях).
см. также схему подключения пивного охладителя
Подвод пива и углекислого газа осуществляется при помощи шланга ПВХ с внутренним диаметром 7-9 мм, шланги закрепить на ниппелях и тройнике при помощи хомутов или соединителями John Guest (DM Fit). Смотрите статью о соединителях.
Убедитесь, что устройство собрано и установлено.
Сосуд с пивом (17)
Баллон с газом, оснащенный регулятором давления (18)
0хладитель (19)
Тройник (20)
3аборная головка (21)
Колонна (22)
Столешница (23)
Каплесборник (24)
Устройство ПЕГАС со штуцером подвода пива (25)
Устройство подключается следующим образом (см. рисунок слева):
Расположите шланги (14), (15), (16) внутри колонны, как показано на рисунке слева;
Подключите шланги, подводящие пиво (14), к нипелю (12) с одной стороны и к охладителю (19) с другой;
Подключите шланг, подводящий газ (15), к ниппелю подвода газа (5) с одной стороны и к тройнику (20) с другой;
Подведите пиво от заборной головки (21) к охладителю (19);
Подведите газ под давлением 0,15 - 0,25 МПа от баллона СО2 (18) через тройник (20) к заборной головке (21) и ниппелю подвода газа (5);
Дренажный шланг (16) подсоедините к ниппелю дренажа (7), свободный конец поместите в дренажную ёмкость.
См. также как разливать через Пегасы
Цены на Пегасы
Купить пеногаситель для пива "Циклон" в Украние
Как монтировать Пегас Новотап в стену
Уход за Пегасами (обслуживание)
Пегасы - устранение неисправностей
Устройство подключается следующим образом (см. рисунок слева):
Расположите шланги (14), (15), (16) внутри колонны, как показано на рисунке слева;
Подключите шланги, подводящие пиво (14), к нипелю (12) с одной стороны и к охладителю (19) с другой;
Подключите шланг, подводящий газ (15), к ниппелю подвода газа (5) с одной стороны и к тройнику (20) с другой;
Подведите пиво от заборной головки (21) к охладителю (19);
Подведите газ под давлением 0,15 - 0,25 МПа от баллона СО2 (18) через тройник (20) к заборной головке (21) и ниппелю подвода газа (5);
Дренажный шланг (16) подсоедините к ниппелю дренажа (7), свободный конец поместите в дренажную ёмкость.
См. также как разливать через Пегасы
Цены на Пегасы
Купить пеногаситель для пива "Циклон" в Украние
Как монтировать Пегас Новотап в стену
Уход за Пегасами (обслуживание)
Пегасы - устранение неисправностей
Швидкий розрахунок 👇 переходь за посиланням 👇
🔴 Попередній розрахунок вартості пивного обладнання 👈
Бажаєте дізнатися вартість пивного обладнання та іншого обладнання для розливу напоїв ? Заповніть невелику форму прямо зараз на сайті і ...
Розпродажі / Акції
🔴 Клікай на посилання ► Телеграм канал та отримуй найкращі акціонні пропозиції!
Пивні колони
Пошук статей про пивне обладнання
Контакти
+380 50 332 97 79
+380 50 332 57 57
+380 50 332 89 98
Графік роботи:
Пн—Пт з 09:00 до 18:00
Київ, Центральна, 21-А, офіс 2
Форма для зв'язку
Категорії
- Барне обладнання ( 7 )
- Безпінний розлив ( 14 )
- Виробники ( 4 )
- Диспенсер настільний для пива ( 2 )
- Домашній розлив ( 14 )
- З'єднувачі John Guest ( 1 )
- Кеги та фітинги та забірні головки ( 4 )
- Комплектуючі для обладнання з розливу пива ( 10 )
- Крафтове пивоваріння ( 2 )
- Лічильники пива ( 7 )
- Монтаж обладнання ( 11 )
- Насоси для пива ( 2 )
- Облік та контроль розливу пива ( 3 )
- Омивачі келихів ( 1 )
- Охолоджувачі Lindr ( 3 )
- Охолоджувачі пива та напоїв ( 19 )
- Пивна культура ( 3 )
- Пивна точка ( 18 )
- Пивний ресторан ( 14 )
- Пивні башти ( 3 )
- Пивні колони ( 13 )
- Пивні крани ( 5 )
- Постмікс ( 4 )
- Промивка пивної лінії ( 8 )
- Промивне обладнання ( 8 )
- Розлив вина ( 14 )
- Рол-бари ( 3 )
- Самообслуговування ( 4 )
- Системи розливу ( 14 )
- Технологія пивоваріння ( 10 )
- Холодильна камера ( 3 )
- Швидкий розлив у келихи ( 4 )
- ціни ( 5 )
Популярні статті
-
Як відкрити пивну точку в Україні: обладнання та корисні поради для пивного магазину Торгівля розливним пивом – прибутковий бізнес, тому б...
-
Этот вопрос задают многие любители крафтовых напитков, алкогольных и безалкогольных. Всё больше людей следуют принципу «сделай сам», потому ...
-
Торговля разливным пивом – прибыльный бизнес, поэтому многие начинающие предприниматели сейчас задаются вопросом: «Как открыть пивную точку?...
-
Если вы хотите организовать Октоберфест у себя дома… Что понадобится для розлива пива пикник-помпой: 1) кег с пивом; 2) ёмкость доста...
-
График промывки: как часто нужно промывать пивную систему Раз в день тёплой водой (вечером, после окончания рабочего дня). Такая промы...
-
Конфигурация оборудования для разливного пива может быть разной: домашняя установка, магазин, ресторанная стойка с красивыми пивными колонна...
-
Теоретически торговля пивом на разлив — дело очень выгодное. На практике владельцы пивных магазинов часто сталкиваются с трудностями. Наприм...
-
Чешский налив пива – особый ритуал, неотъемлемая часть местной пивной культуры. Слова «на гладинку», «на двакрат», «шнит» и «млико», «ч...
-
Це питання задають багато любителів крафтових напоїв, алкогольних та безалкогольних. Все більше людей слідують принципу «зроби сам», тому щ...
-
✅Кеги Корнелиус (Cornelius) - от возникновения до 2020 года Что общего между джинсами, порохом и кегами Корнелиус? У всех этих предметов инт...
Приймаємо замовлення
Україна, Грузія, Молдова, Польша, Чехія, Словакія, Румунія