Пивная колонна Т-образная (Украина)
Варианты цвета:
хромзолото
медь
Габаритные размеры:
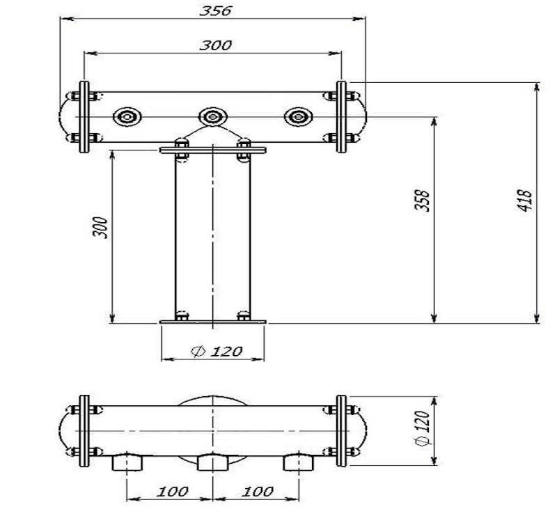
длина 256 ммширина 120 мм
высота 418 мм
и более
Количество кранов от 2-х до 6-ти
цены на пивные колонны
Подпишитесь на наш канал в Telegram.
Чертеж (нажмите изображение для увеличения)

Швидкий розрахунок 👇 переходь за посиланням 👇
🔴 Попередній розрахунок вартості пивного обладнання 👈
Бажаєте дізнатися вартість пивного обладнання та іншого обладнання для розливу напоїв ? Заповніть невелику форму прямо зараз на сайті і ...
Розпродажі / Акції
🔴 Клікай на посилання ► Телеграм канал та отримуй найкращі акціонні пропозиції!
Пивні колони
Пошук статей про пивне обладнання
Контакти
+380 50 332 97 79
+380 50 332 57 57
+380 50 332 89 98
Графік роботи:
Пн—Пт з 09:00 до 18:00
Київ, Центральна, 21-А, офіс 2
Форма для зв'язку
Категорії
- Барне обладнання ( 7 )
- Безпінний розлив ( 14 )
- Виробники ( 4 )
- Диспенсер настільний для пива ( 2 )
- Домашній розлив ( 14 )
- З'єднувачі John Guest ( 1 )
- Кеги та фітинги та забірні головки ( 4 )
- Комплектуючі для обладнання з розливу пива ( 10 )
- Крафтове пивоваріння ( 2 )
- Лічильники пива ( 7 )
- Монтаж обладнання ( 11 )
- Насоси для пива ( 2 )
- Облік та контроль розливу пива ( 3 )
- Омивачі келихів ( 1 )
- Охолоджувачі Lindr ( 3 )
- Охолоджувачі пива та напоїв ( 19 )
- Пивна культура ( 3 )
- Пивна точка ( 18 )
- Пивний ресторан ( 14 )
- Пивні башти ( 3 )
- Пивні колони ( 13 )
- Пивні крани ( 5 )
- Постмікс ( 4 )
- Промивка пивної лінії ( 8 )
- Промивне обладнання ( 8 )
- Розлив вина ( 14 )
- Рол-бари ( 3 )
- Самообслуговування ( 4 )
- Системи розливу ( 14 )
- Технологія пивоваріння ( 10 )
- Холодильна камера ( 3 )
- Швидкий розлив у келихи ( 4 )
- ціни ( 5 )
Популярні статті
-
Этот вопрос задают многие любители крафтовых напитков, алкогольных и безалкогольных. Всё больше людей следуют принципу «сделай сам», потому ...
-
Как охладить или даже заморозить бокалы, в которых подаются напитки? Дома бокалы можно запросто хранить в морозилке. Но для бара или рес...
-
Торговля разливным пивом – прибыльный бизнес, поэтому многие начинающие предприниматели сейчас задаются вопросом: «Как открыть пивную точку?...
-
Если вы хотите организовать Октоберфест у себя дома… Что понадобится для розлива пива пикник-помпой: 1) кег с пивом; 2) ёмкость доста...
-
Як відкрити пивну точку в Україні: обладнання та корисні поради для пивного магазину Торгівля розливним пивом – прибутковий бізнес, тому б...
-
График промывки: как часто нужно промывать пивную систему Раз в день тёплой водой (вечером, после окончания рабочего дня). Такая промы...
-
Перед началом розлива убедитесь в том, что устройство правильно установлено и подключено, не нарушена герметичность соединений. Розли...
-
Герметичный пивной кег позволил пивоварам выйти на качественно новый уровень в пивном производстве. Емкость, изготовленная из химически ине...
-
Це питання задають багато любителів крафтових напоїв, алкогольних та безалкогольних. Все більше людей слідують принципу «зроби сам», тому щ...
-
Диспенсер ReverseTap - устройство для розлива пива через дно Наполнение стакана снизу, через дно - абсолютно сумасшедшая идея. Тем не ...
Приймаємо замовлення
Україна, Грузія, Молдова, Польша, Чехія, Словакія, Румунія